
ORBITOOL comes in two configurations: one-hemisphere and two-hemisphere.
One-Hemisphere Configuration Available Sizes

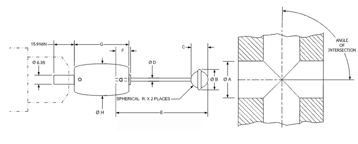
Special shaft lengths available. Please contact for specific application assistance.
| Size, Nominal |
Complete Tool P/N |
Flexible Holder P/N |
Cutter P/N Series |
Ø A min (approx)
varies with angle of
intersection,
mm |
Ø B disk,
mm |
C head height,
mm |
Ø D shaft,
mm |
E
AS supplied,
mm |
F insertion,
mm |
G,
mm |
Ø H,
mm |
|
90° |
60° |
45° |
min |
max |
| 0.074 |
10004-074 |
14001-030 |
14000-074 |
2.00 *please contact for specific
application assistance |
1.88 |
1.78 |
0.76 |
63.5 |
3.81 |
9.14 |
20.57 |
14.22 |
| 3/32 |
10004 |
14001-030 |
14000 |
3.18 |
4.52 |
6.15 |
2.69 |
1.78 |
0.76 |
63.5 |
3.81 |
9.14 |
20.57 |
14.22 |
| 1/8 |
10001 |
14001-045 |
11000 |
4.37 |
6.02 |
8.18 |
3.58 |
2.39 |
1.14 |
101.6 |
3.81 |
9.14 |
20.57 |
14.22 |
| 5/32 |
10005 |
14002-061 |
15000 |
5.46 |
7.52 |
10.24 |
4.42 |
2.74 |
1.55 |
101.6 |
3.81 |
14.22 |
35.05 |
20.57 |
| 3/16 |
10006 |
14002-061 |
16000 |
6.55 |
9.04 |
12.27 |
5.18 |
3.15 |
1.55 |
101.6 |
3.81 |
14.22 |
35.05 |
20.57 |
| 1/4 |
10002 |
14002-093 |
12000 |
8.74 |
12.01 |
16.36 |
6.88 |
3.84 |
2.39 |
152.4 |
3.81 |
14.22 |
35.05 |
20.57 |
| 3/8 |
10003 |
14003-093 |
13000 |
13.13 |
18.03 |
24.54 |
10.31 |
5.51 |
2.39 |
152.4 |
3.81 |
18.29 |
44.45 |
25.40 |
|
All dimensions are in mm.
ORBITOOL parts come in 6 standard sizes and can be ordered accordingly
| Size |
Part Number |
| 3/32 |
10004 |
| 1/8 |
10001 |
| 5/32 |
10005 |
| 3/16 |
10006 |
| 1/4 |
10002 |
| 3/8 |
10003 |
|
|
| Size |
Part Number |
| 3/32 |
14000 |
| 1/8 |
11000 |
| 5/32 |
15000 |
| 3/16 |
16000 |
| 1/4 |
12000 |
| 3/8 |
13000 |
|
|
| Size |
Part Number |
| 3/32 |
14001-030 |
| 1/8 |
14001-045 |
| 5/32 |
14002-061 |
| 3/16 |
14002-061 |
| 1/4 |
14002-093 |
| 3/8 |
14003-093 |
|
Two-Hemisphere
Configuration Available Sizes

Special shaft lengths available. Please contact for specific application assistance.
| Size, Nominal |
Complete Tool P/N |
Flexible Holder P/N |
Cutter P/N Series |
Ø A min (approx)
varies with angle of
intersection,
mm |
Ø B disk,
mm |
C head height,
mm |
Ø D shaft,
mm |
E
AS supplied,
mm |
F insertion,
mm |
G,
mm |
Ø H,
mm |
|
90° |
60° |
45° |
min |
max |
| 0.074 |
10004D-074 |
14001-030 |
14000D-074 |
2.00 *please contact for specific
application assistance |
1.88 |
2.90 |
0.76 |
63.5 |
3.81 |
9.14 |
20.57 |
14.22 |
| 3/32 |
10004D |
14001-030 |
14000D |
3.18 |
4.52 |
6.15 |
2.69 |
2.90 |
0.76 |
63.5 |
3.81 |
9.14 |
20.57 |
14.22 |
| 1/8 |
10001D |
14001-045 |
11000D |
4.37 |
6.02 |
8.18 |
3.58 |
3.86 |
1.14 |
101.6 |
3.81 |
9.14 |
20.57 |
14.22 |
| 5/32 |
10005D |
14002-061 |
15000D |
5.46 |
7.52 |
10.24 |
4.42 |
4.55 |
1.55 |
101.6 |
3.81 |
14.22 |
35.05 |
20.57 |
| 3/16 |
10006D |
14002-061 |
16000D |
6.55 |
9.04 |
12.27 |
5.18 |
5.41 |
1.55 |
101.6 |
3.81 |
14.22 |
35.05 |
20.57 |
| 1/4 |
10002D |
14002-093 |
12000D |
8.74 |
12.01 |
16.36 |
6.88 |
6.78 |
2.39 |
152.4 |
3.81 |
14.22 |
35.05 |
20.57 |
| 3/8 |
10003D |
14003-093 |
13000D |
13.13 |
18.03 |
24.54 |
10.31 |
10.11 |
2.39 |
152.4 |
3.81 |
18.29 |
44.45 |
25.40 |
|
All dimensions are in mm.
| Size |
Part Number |
| 3/32 |
14000D |
| 1/8 |
11000D |
| 5/32 |
15000D |
| 3/16 |
16000D |
| 1/4 |
12000D |
| 3/8 |
13000D |
|
|
| Size |
Part Number |
| 3/32 |
10004D |
| 1/8 |
10001D |
| 5/32 |
10005D |
| 3/16 |
10006D |
| 1/4 |
10002D |
| 3/8 |
10003D |
|
|